16 februari 2023
Elektrotechnische symbolen
Technische tekeningen bevatten veel symbolen waardoor ze beter en sneller te lezen zijn en er minder kans is op miscommunicatie. Bovendien zijn elektrotechnische symbolen internationaal uitwisselbaar. In dit artikel een aantal voorbeelden van symbolen en hun toepassing.

In de onderstaande afbeelding vind je een installatietekening van een eenvoudige elektrische installatie. De gebruikte symbolen zijn die van contactdoos, schakelaar, verlichting en functie van de bedrading.

Vanuit de centraaldoos (1) gaat de bedrading naar een aansluitpunt voor verlichting (2), de bijbehorende enkelpolige schakelaar (3) en een contactdoos (4). De bedrading tussen contactdoos en verlichtingspunt bestaat uit 3 draden: de zwarte schakeldraad, de blauwe nulleiding en de geelgroene beschermingsdraad. Tussen centraaldoos en contactdoos vind je de bruine fasedraad, blauwe nulleiding en de geelgroene beschermingsdraad. Tussen centraaldoos en schakelaar zitten de zwarte schakeldraad en fasedraad. Raadpleeg de onderstaande tabel voor de symbolen.

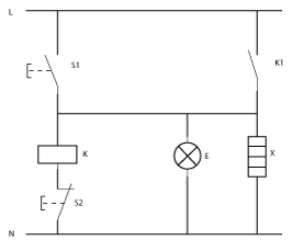
Stroomkeerschema
In het volgende stroomkeerschema vind je de symbolen voor schakelaars, relais, verwarmingsapparaat en controlelamp, aangesloten op spanningsbron L en N.

De wisselspanningsbron wordt aangegeven met L (Live) en N (Neutral). Door de gesloten stroomkring wordt relais K bekrachtigd en wordt maakcontact k1 van het relais gesloten. Zo ontstaat er een 2e gesloten circuit tussen de spanningsbron (L en N) en k1 en verwarmingsapparaat X. Daardoor komt het verwarmingsapparaat in werking en gaat controlelamp E branden. Als vervolgens schakelaar S1 wordt losgelaten, zal het relais bekrachtigd blijven via contact k1. Zie de onderstaande tabel voor de gebruikte symbolen in het stroomkringschema.

Veiligheidssymbolen elektriciteit
Werken met elektrische spanning kan gevaarlijk zijn. Dat is de reden dat er op elektrische apparaten symbolen geplaatst worden die een beschermklasse aangeven. In de volgende tabel vind je 3 klassen met de bijbehorende uitleg.





